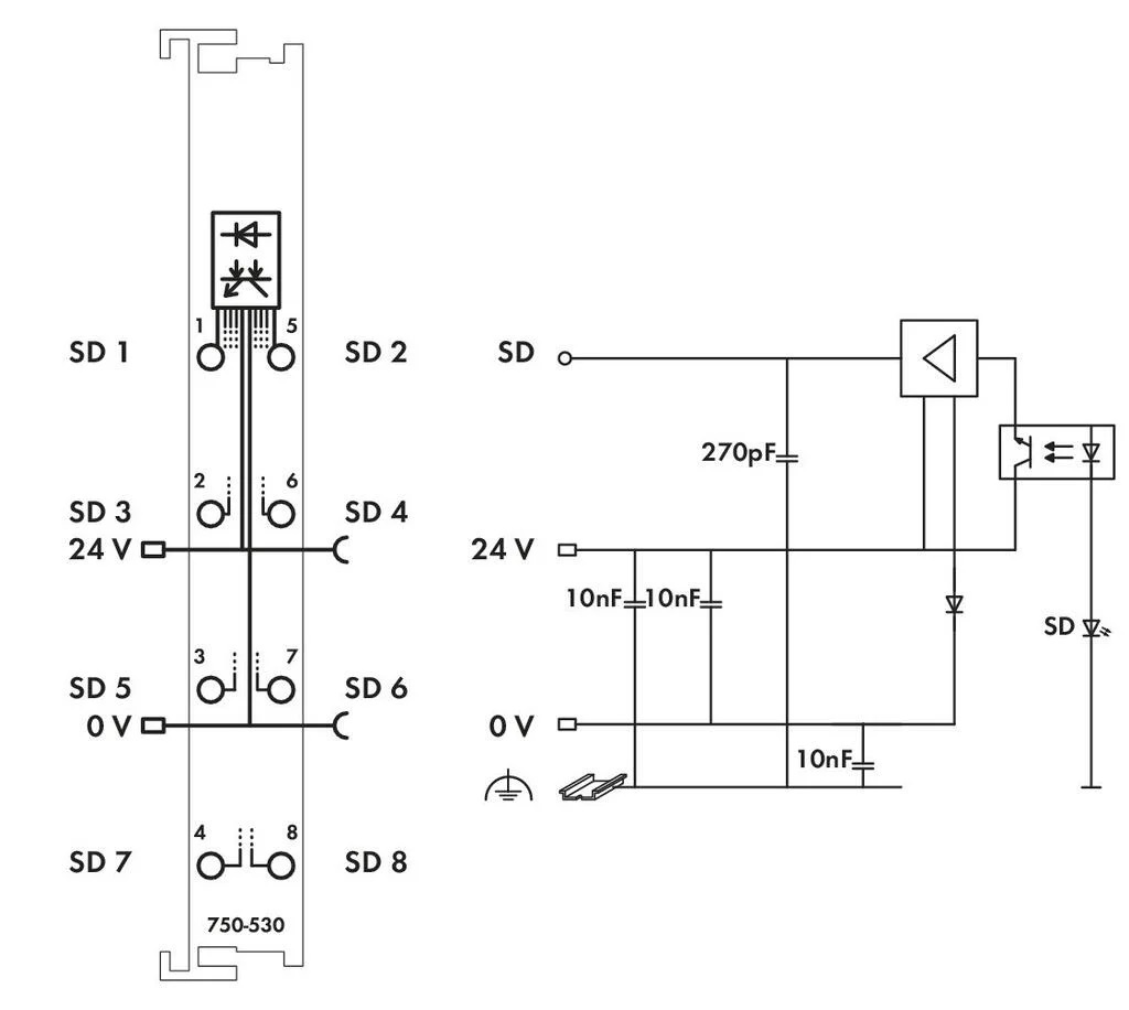
Salida digital, 8 canales; 24 V DC; 0,5 A Tiempo de Entrega: 3-4 días.
Esta combinación no existe.