SSMELE 750-517

https://ssmadretierra.com/web/image/product.template/180/image_1920?unique=aa5680b

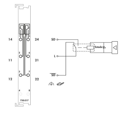
Salida relé, 2 canales; 250 V AC; 1A; libre de potencial; 2 inversores.
Tiempo de entrega: 3-4 semanas

2,185.86 2185.86 MXN 2,185.86

2,185.86

    Esta combinación no existe.

    FICHA TÉCNICA