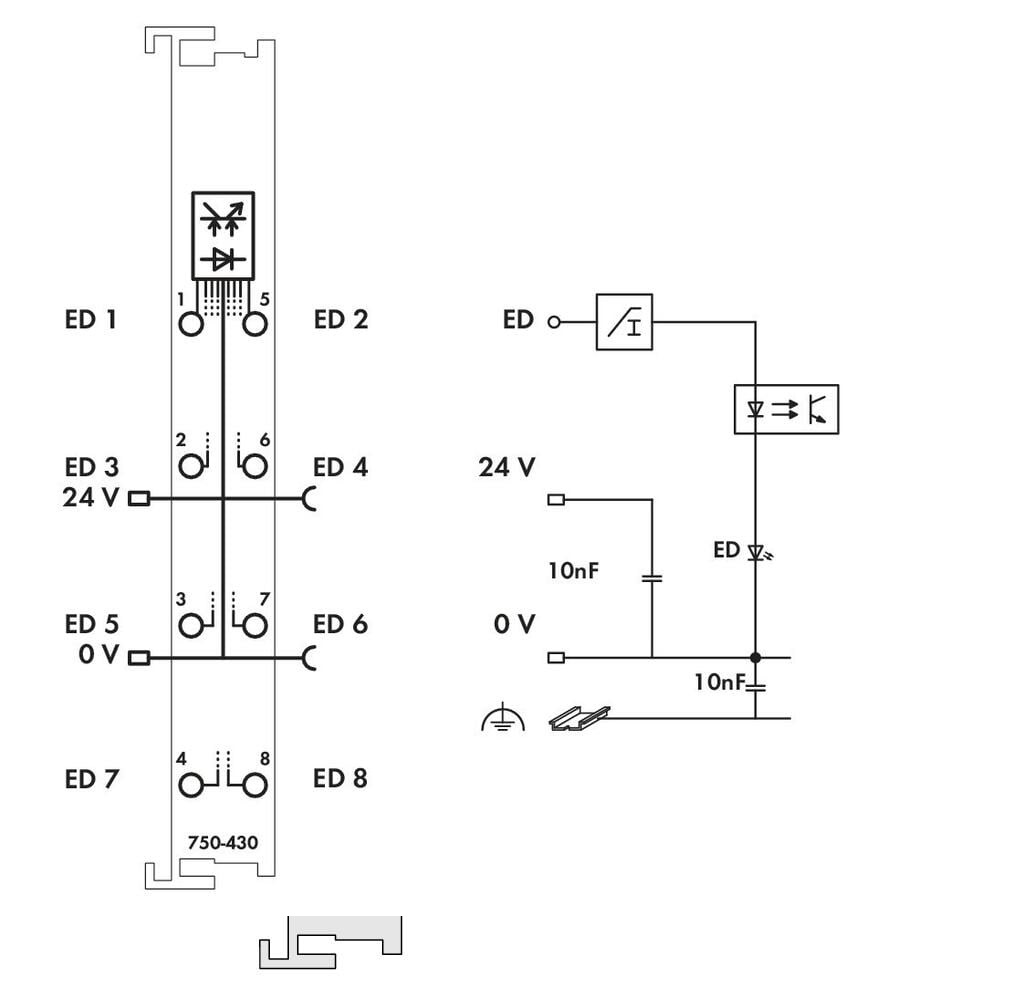
Entrada digital, 8 canales; 24 V DC; 3 ms Tiempo de Entrega: 3 a 4 días.
Esta combinación no existe.